服务热线:

0512-55162606

首 页 > 产品中心 > 化学药液过滤机
化学药液过滤器-YX

化学药液过滤器-YX

特点

●过滤器主体及零配件均采用优质塑胶原料一体注塑成型,无焊接点,不易泄漏、耐压高,滤袋式设计(可根据药液的特性选用不同的滤袋材质PP、PETEFLON以及不同的过滤精度1UM、5UM、10UM50UM、100UM、200UM、500UM、800UM,同时可以根据不同要求定制滤袋的过滤精度),符合国际标准的2#、4#、5#的滤袋可以用于该型号产品。过滤器主体及零配件材质有PP、PVDF可供不同的化学药液的特性选择使用。

详情介绍

型式说明

型式说明-YX.jpg


1.机型编号Modelnumber: YX

2.型式编号Type number: 632-2# 635-5# 634-4#

3.口径Aperture: DN65-2-1/2” DN50-2”  DN40-1-1/2”

4.滤筒材质Filter tube material: K-PVDF P-PPH

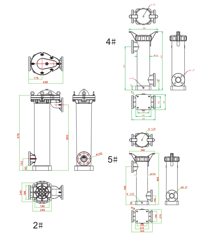
外观尺寸图

曲线图-YX.jpg


技术规格

规格-YX.jpg

拆解图

拆分图-YX.jpg

免费获取方案

全行业提供耐酸碱流体解决方案

留下您的信息,我们会尽快为您定制解决方案

联系我们

Address
江苏省昆山周市镇万安路
Tel
0512-55162606
Mail
ywk2012wlc@126.com
热推产品  |  主营区域: 江苏 上海 昆山 太仓 苏州
爱游戏(中国) 产品中心 电话咨询 留言

电话咨询

0512-55162606

微信咨询

二维码

关注微信

在线咨询

TOP